Zustandserfassung von Spannungswandlern
Betriebsgealterte 50-kV-Giessharzspannungswandler werden ersetzt
Betriebsgealterte 50-kV-Giessharzspannungswandler im Verteilnetz der BKW Energie AG werden bis Ende Jahr systematisch ersetzt. Das Sanierungskonzept basiert auf dem Komponentenzustand unter Berücksichtigung der Gesamtwirtschaftlichkeit.
Seit Ende der 60er-Jahre sind bei verschiedensten Elektrizitätsversorgungsunternehmen in der Schweiz vermehrt unkontrollierte Ausfälle von Giessharzspannungswandlern, insbesondere bei Spannungsreihen über 24 kV, zu verzeichnen. Die Ausfälle, häufig begleitet von Kollateralschäden (Bild 1), stellen eine potenzielle Gefahr für das Betriebspersonal dar, wirken sich negativ auf die Versorgungssicherheit aus und führen zu hohen Sanierungskosten.
Auch die BKW war in der Vergangenheit von solchen Ausfällen betroffen. Sie hat daher beschlossen, entsprechende Sanierungsmassnahmen einzuleiten. Anstelle eines flächendeckenden Ersatzes sämtlicher 50-kV-Giessharzspannungswandler wurden jedoch durch ein nicht-normkonformes Diagnoseverfahren die Giessharzspannungswandler mit Gefährdungspotenzial identifiziert und im Rahmen eines Sanierungsprogrammes unter Berücksichtigung der Gesamtwirtschaftlichkeit gezielt ersetzt.
Induktive Strom- und Spannungswandler (sogenannte Messwandler) sind bei den Elektrizitätsversorgungsunternehmen auf allen Spannungsebenen für die Schutzfunktionen sowie für die Lastfluss- und Verrechnungsmessungen weit verbreitet. Die Bauweise, Fehlerklasse und Auslegung richten sich nach den Anforderungen der Betriebs- respektive Bemessungsspannung. So werden für Spannungsreihen grösser 72,5 kV meistens Messwandler mit Öl-Papier-Isolation oder SF6-Isolation verwendet, während bei tieferen Spannungsreihen (kleiner 72,5 kV), häufig Giessharzwandler eingesetzt werden.
Die Vorteile von Giessharzspannungswandlern liegen in ihrer ökonomischen Bauweise, Robustheit, Wartungsfreiheit und der leichten Transportierbarkeit. Im 50-kV- und 16-kV-Verteilnetz der BKW werden seit Mitte der 60er-Jahre vorwiegend solche Wandler eingesetzt. Während sich die 16-kV-Giessharzspannungswandler mit wenigen Ausnahmen bewährt haben, fällt bei der BKW zurzeit typischerweise ein 50-kV-Giessharzspannungswandler pro Jahr aus (die jährlichen Ausfallraten lagen in der Vergangenheit höher).
Obschon Schadensstatistiken aus der Schweiz und weltweit verfügbar sind [1], lassen sich daraus nur bedingt Aussagen über die potenziellen Gründe der Ausfälle machen.[2] Mögliche Gründe (nicht abschliessend) können sein:
- Thermische Alterung der Isolation
- Elektrische Alterung der Isolation
- Fremdeinwirkung durch Blitzeinschläge, Überspannungen
- Ferroresonanz oder Resonanzerscheinungen
- Qualitätsmangel bei der Produktion
In den Schadensberichten der 70er-Jahre verweisen die Hersteller oft auf Ferroresonanzen oder Fremdeinwirkung als Haupt-gründe für Ausfälle. Gemäss einer breit abgestützten Umfrage [3] durch die Fachkommission für Hochspannungsfragen (FKH) bei den Elektrizitätsversorgungsunternehmen in der Schweiz sind bei 723 installierten Messwandler (50–65 kV) insgesamt 27 Ausfälle dokumentiert. Die meisten dieser defekten Wandler wiesen ein Betriebsalter von 10–20 Jahren auf und waren in den Jahren 1985 bis 1995 hergestellt worden. Eine Herausforderung bei der Erhebung der Schadensfälle stellen die grosse Variation der statistisch relevanten Parameter (Wandlertyp, Hersteller, Betriebsspannung, Netzkonfigurationen usw.) sowie die kleine Fallzahl dar. Unter diesen Voraussetzungen ist eine statistisch gesicherte Aussage zu den Gründen für diese Ausfälle schwierig.

Grundlagen zu Giessharz und Teilentladungen
Die Giessharzmesswandler bestehen zu einem grossen Teil aus organischem Epoxidharz, welchem bis zu 50% Quarzsand (SiO2) beigemischt wird. Durch die anorganische Komponente werden die mechanische Festigkeit und Wärmeleitfähigkeit sowie die Widerstandsfähigkeit gegenüber inneren Teilentladungen verbessert. Teilentladungen (TE) sind «kleine» elektrische Entladungen, zum Beispiel in Rissen oder Lunkern innerhalb des Isolationssystems (Bild 2).
Die Hohlräume können beispielsweise aufgrund mechanischer Spannungen durch Materialschwund während der Gelie-rungsphase und/oder Lufteinschlüssen während des Herstellungsprozesses entstehen. Da Grösse und Lage des Defektes im Isolationssystem von aussen nicht bestimmt werden können, ist die im Defekt umgesetzte Ladung nicht direkt messbar. Statt-dessen können die Ausgleichströme i(t) im äusseren Messkreis über eine Messimpedanz erfasst und im Zeit- oder üblicherweise im Frequenzraum integriert werden. Diese «scheinbare Ladung» wird vor der Messung durch die Einspeisung einer bekannten Ladung in [pC] normiert.
Charakteristischerweise sind die TE nicht unmittelbar in der Lage, die gesamte Isolationsstrecke zwischen Hochspannungspotenzial und Masse auf einmal zu überbrücken, sondern können mit der Zeit die organische Isolation angreifen, zersetzen und karbonisieren. Epoxidharz besitzt eine geringe Widerstandsfähigkeit gegenüber TE und die dadurch entstandenen Schäden sind irreversibel. Letztendlich kann dies zu einer kontinuierlichen Abnahme der Isolationsstrecke und final zu einem kompletten Durchschlag und somit Versagen des Betriebsmittels führen. Die Zeit bis zum Ausfall der Komponente ist aufgrund des komplexen, stochastischen Alterungsprozesses nicht vorhersehbar.

Sanierungskonzept der BKW
Der Ersatz sämtlicher 50-kV-Giessharzspannungswandler, unabhängig ihres Zustandes und ausserhalb der Investitionsplanung der Unterwerke, kam unter anderem auch unter Berücksichtigung der Gesamtwirtschaftlichkeit nicht in Frage. Auch eine normkonforme TE-Messung an sämtlichen in Betrieb stehenden Giessharzspannungswandlern zur Erfassung des Gefährdungspotenzials, sei es vor Ort oder im Labor gemäss IEC 60270, wurde aus wirtschaftlichen Gründen nicht weiterverfolgt. Die Vor-Ort-Prüfung mit einer Resonanzanlage oder primärseitiger Anregung ist logistisch an-spruchsvoll und entsprechend kostenintensiv.
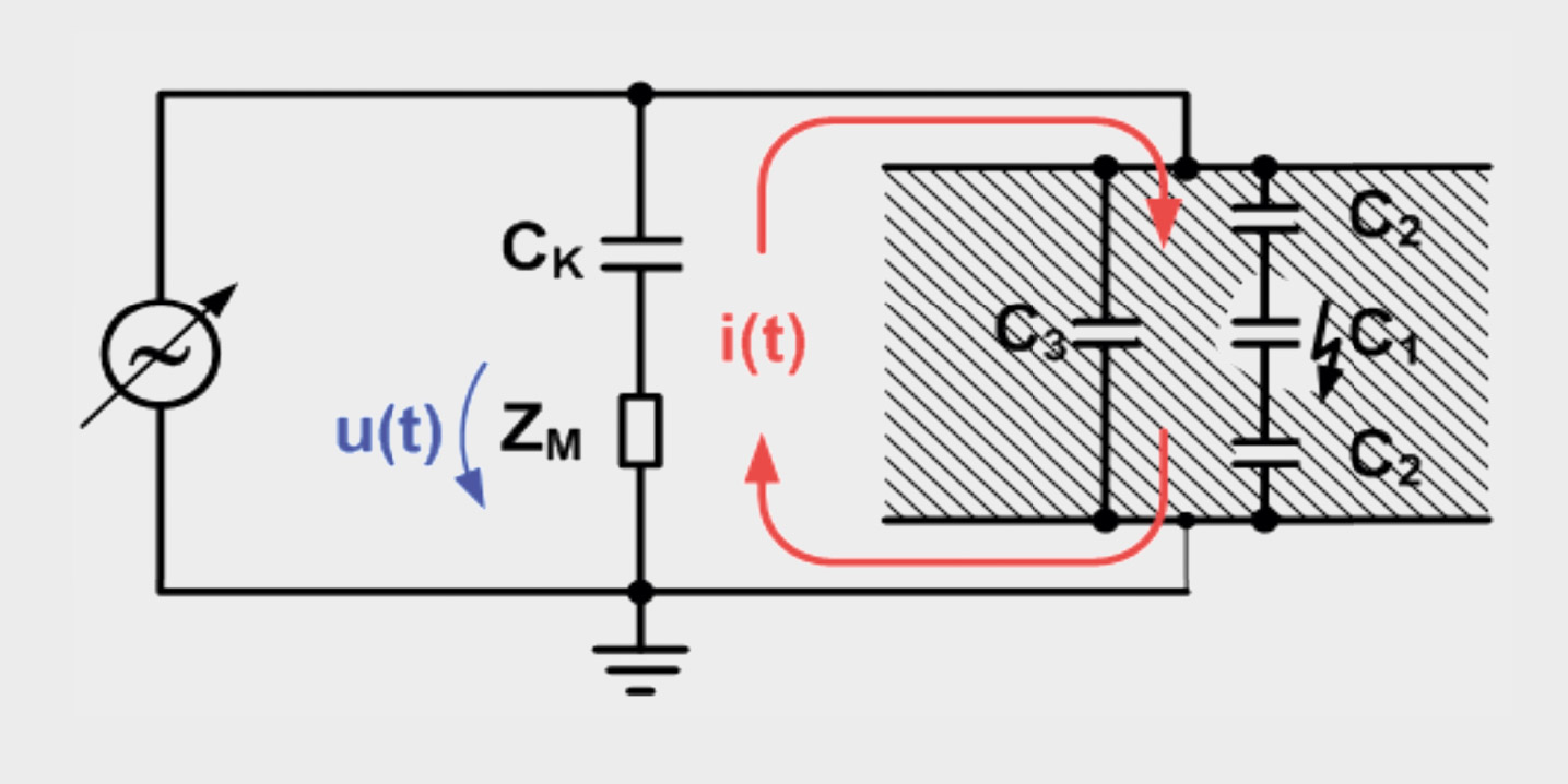
Stattdessen wurde in einer Pilotstudie der BKW ein nicht-normkonformes TE-Messverfahren entwickelt und erfolgreich eingesetzt.[4] Anstelle einer primärseitigen Einspeisung wurden die 50-kV-Giessharzspannungswandler, Typ VKE 52 (Moser&Glaser), mit einer frequenzvariablen Stromquelle von der Sekundärseite angeregt (Bild 3). Mit dem nominalen Überset-zungsverhältnis 1:450 wurde die Hochspannung durch die Prüflinge selbst erzeugt und die TE-Signale über einen 1-nF-Koppelkondensator auf der Primärseite ausgekoppelt. Nach Freischaltung, Sicherheitserdung des Schaltfeldes und Trennung des Primäranschlusses von der Sammelschiene kann die Messausrüstung neben dem Prüfling aufgebaut werden (Bild 4). Der wirtschaftliche Vorteil dieser Schaltung liegt in der hohen Mobilität der Prüfausrüstung. Diese kann von einer Person in einem normalen PW transportiert und innerhalb kürzester Zeit aufgebaut werden.

Entwicklung Messverfahren
Neben den logistischen Vorteilen ergeben sich aufgrund der sekundärseitigen Speisung auch eine Reihe technischer Herausforderungen, welche in dieser Pilotstudie gelöst werden mussten. Beispielsweise bildet der Ausgangstransformator der Speisung zusammen mit der nicht-linearen Induktivität des Prüflings und dem Koppelkondensator einen schwingungsfähigen Kreis, dessen Resonanzfrequenz stromabhängig ist. Dadurch besteht die Möglichkeit der thermischen Zerstörung des Prüflings oder aber auch der Speisung.
Weiter ist zu beachten, dass der Koppelkondensator zusammen mit der internen Streukapazität des Prüflings zu einer zusätzlichen Spannungserhöhung führt (Ferranti-Effekt). Bei der gewählten Schaltung lag diese Spannungserhöhung bei rund 1,5% gegenüber dem nominalen Übersetzungsverhältnis.[4] Dank der sinusförmigen Prüfspannung mit einer Frequenz von 55 bis 65 Hz konnten allfällige 50-Hz-Störungen differenziert werden. (Der Störpegel in den ländlich gelegenen Unter-werken lag in der Regel im Bereich weniger pC und stellte somit kein Problem dar.)
Bewertung Messergebnisse
Gemäss Norm sollten Messwandler in Netzen mit isoliertem Sternpunkt bis über die verketteten Spannungen (Leiter-Erde 1,2 Um) auf TE geprüft werden. Stattdessen wurde die Spannung stufenweise auf 1,1×50 kV/√3 (Leiter-Erde) erhöht und die TE-Signale als defektspezifische Punktwolken in phasenaufgelösten TE-Muster dargestellt. Die Bewertung des Gefährdungs-potenzials basiert auf der Entladungsamplitude und -Intensität sowie den Ein- und Aussetzspannungen der TE und wird einer Zustandsklasse 1 (gut) bis 5 (sehr schlecht) zugeordnet.
Grundsätzlich sollen Messwandler aus Giessharz im Betrieb keine TE aufweisen, da diese ein potenzielles Risiko für die Integrität des Isolationssystems darstellen. Die Erfahrung aus der Praxis zeigt jedoch, dass einzelne Giessharzspannungswandler auch mit geringfügiger bis mittlerer TE-Aktivität im Betrieb über Jahrzehnte einwandfrei funktionieren können. Trotzdem versagen bisweilen auch Giessharzspannungswandler mit einer geringen TE-Aktivität nach Jahren im Betrieb. Entsprechend wären in diesem Fall mehrere aufeinanderfolgende Messungen in zeitlichen Abständen erforderlich, um eine fortschreitende Verschlechterung des Isolationszustandes nachweisen zu können.

Statistische Auswertung
Insgesamt wurden im Rahmen der BKW-Messkampagne 292 VKE-52-Giessharzspannungswandler in 26 Unterwerken gemessen. Davon wurden knapp 42% als «leicht beschädigt» (Klasse 2) bis «sehr schlecht» (Klasse 5) klassifiziert. Bei 170 Giessharzspannungswandlern konnte keine TE bis 110% Überspannung nachgewiesen werden (Klasse 1).
Die nicht-normierte Zustandsverteilung (Bild 5) zeigt die Defektraten aufgetragen gegenüber Baujahr und Produktionslos. Die Zahlenwerte innerhalb der Balken geben die Anzahl ausgewerteter Giessharzspannungswandler wieder. Da die Anzahl ausgewerteter Wandler pro Produktionslos stark variiert (1 bis 17 Wandler), ist die statistische Signifikanz entsprechend unterschiedlich.
In Bild 6 werden die Durchschnittsnoten 1–5 als Klassendurchschnitt wiedergegeben. Die Fehlerbalken stellen die Standardabweichung der Durchschnittsnoten dar und sollen die Unsicherheit des Klassendurchschnittes wiedergeben. Zunächst fallen die hohen Defektraten (bis 100% defekte Wandler der Klasse 5) in den Produktionsjahren 1970–1973 auf. Die Defektraten sowohl vor 1970 als auch nach 1976 sind eindeutig tiefer und können mehrheitlich als konstant angesehen werden. Des Weiteren fällt auf, dass auch die Wandler, die zwischen 1976 und 1995 produziert wurden, keineswegs defektfrei sind. Im Hinblick auf die potenziellen Ursachen der Ausfälle erlaubt nun diese Schadensstatistik gewisse Aussagen.
Zunächst erscheinen Fremdeinwirkungen durch Blitzeinschläge oder Ferroresonanzen als eher unwahrscheinlich, da in diesem Fall eine relativ konstante Defektrate in den Jahren 1966–1995 zu erwarten wäre. Bei der Auslegung der Lagenisolation und der maximal zulässigen Feldstärke in der Isolation strebten die Hersteller in der Regel eine Lebensdauer von rund 30 Jahren an. Bei einer kontinuierlichen thermisch-elektrischen Alterung der Komponenten durch Zersetzung des Giessharzes wären somit ältere Wandler erwartungsgemäss deutlich häufiger von Defekten betroffen, was hier jedoch nicht nachgewiesen werden konnte (die durchschnittlichen Defektraten in den 60er-Jahren sind vergleichbar mit den Defektraten in den 80er- und 90er-Jahren).
Die Messergebnisse stützen vielmehr die These, dass betriebsgealterte Wandler ohne TE-Defekte auch nach 40–50 Jahren Betriebszeit keine Alterserscheinungen aufweisen und somit problemlos im Betrieb belassen werden können. In den 60er-Jahren, als PC-gestützte, numerische Auslegung und Berechnung der Wandler kaum möglich und dadurch die exakte Feldverteilung nicht bekannt war, wurden die Wandler mit entsprechenden Isolationsreserven gebaut, was ihre Robustheit erklärt. Anfang der 70er-Jahre begannen einige Hersteller, neue Prozesse und Materialien (giessharzimprägnierte Folien) einzusetzen. Im Zuge dieser Neuerungen wurden, unter anderem auch aufgrund der verbesserten Isolationsmaterialien, Design- und Materialoptimierungen eingeführt, welche zu höheren Feldstärken und somit einer höheren Anfälligkeit für TE führten.
Aus diesem Grund liegt die Vermutung nahe, dass die relativ hohen Defektraten Anfang der 70er-Jahre mit der Umstellung der Material- und Prozesstechnologie zusammenhängen. Später (ab 1974), als die Giessharz-Rezepturen weiter verbessert wurden und die Prozesstemperaturen präziser kontrolliert werden konnten (auf Bruchteile eines Grades), sanken die Defektraten wieder. Zum gleichen Zeitpunkt wurde die TE-Messtechnik vermehrt in der Qualitätssicherung eingesetzt. 1976 wurde sie zum Industrie-Standard. In der Folge konnten Qualität und Prozesstechnik besser gesteuert werden, was sich in der Statistik ab Mitte der 70er-Jahre bis heute niederschlägt. Trotzdem ist nicht auszuschliessen, dass vereinzelt auch Wandler neueren Produktionsdatums (vgl. beispielsweise den Klassendurchschnitt Produktionslos 1990 [Bild 6]) bereits signifikante Mängel (Zustandsklasse 3–4) aufweisen können.

Umsetzung Sanierungskonzept
Zurzeit werden die betriebsgealterten 50-kV-Giessharzspannungswandler der Defektklassen 3–5 gemäss Sanierungskonzept systematisch ersetzt. Für den Wandlerersatz wurden Ersatzprodukte gefunden, welche sich mit möglichst geringem Aufwand in die bestehenden Innenraumanlagen einbauen lassen. In Abweichung zur Stückprüfung gemäss IEC 61869-3 wurde eine verschärfte TE-Prüfung verlangt: 55 kV während 600 s: TE < 2 pC; 87 kV: TE < 25 pC. Das Projekt «Sanierung 50-kV-Giessharz-Spannungswandler» wird bis Ende 2017 abgeschlossen. Dann werden sämtliche potenziell kritischen Wandler ersetzt sei

Referenzen
[1] «Cigré Brochure 512: International Enquiry on Reliability of high Voltage Equipment Part 4 Instrument transformers.
[2] «Elektrisches und dielektrisches Verhalten von Epoxidharz», M. Bayer, Schering-Institut, Universität Hannover 1991.
[3] «Umfrage über Ausfälle von giessharzisolierten Messwandlern durch Isolationsversagen, Betriebsspannungsbereich 10 kV ... 65 kV», Fachkommission für Hochspannungsfragen, Zürich, 28. Juni 2005.
[4] Die entsprechende BKW-Publikation befindet sich noch in Arbeit.
Die Autoren bedanken sich für die freundliche Unterstützung durch Markus Freiburghaus (Pfiffner Messwandler, Hirschtal), Dr. Michael Freiburg, (Omicron, Klaus), Dr. Reinhold Bräunlich (FKH, Zürich) und Dr. Holger Däumling (Ritz Messwandler).
Kommentare